整体PCD螺旋平底铣刀
产品特点
聚晶金刚石PCD材质具有硬度高、摩擦系数低、导热性高等优点可提升加工寿命和尺寸稳定性
螺旋式整体PCD刃口设计可提高刀具锋利度,有效抑制加工毛刺减少振刀,增强排屑能力,提高切削效率
在加工铝基碳化硅和碳纤维复合材料时,相比使用金刚石涂层硬质合金刀具寿命提升5倍
产品详情
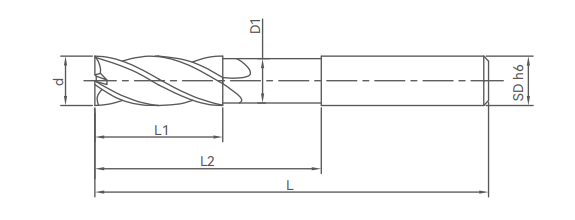
· 产品规格(单位:mm):
| 系列 | 型号 | 刃径d | 有效刃长L1 | 避空直径D1 | 避空长度L2 | 总长L | 柄径SD |
| H系列 | PME | 2.0 | 2.0 | 1.9 | 5.0 | 50 | 4.0 |
| 3.0 | 2.5 | 2.8 | 7.0 | 50 | 4.0 | ||
| 4.0 | 2.5 | 3.8 | 10.0 | 50 | 4.0 | ||
| 6.0 | 8.0 | 5.7 | 15.0 | 50 | 6.0 | ||
| 8.0 | 10.0 | 7.6 | 20.0 | 60 | 8.0 | ||
| 10.0 | 10.0 | 9.6 | 20.0 | 70 | 10.0 | ||
| 12.0 | 10.0 | 11.6 | 20.0 | 70 | 12.0 | ||
| 14.0 | 15.0 | 13.6 | 25.0 | 75 | 14.0 | ||
| 16.0 | 20.0 | 15.5 | 30.0 | 75 | 16.0 | ||
| 20.0 | 20.0 | 19.5 | 30.0 | 75 | 20.0 |
· 产品尺寸图(单位:mm):

上一个:
整体PCD钻头DDL系列
下一个:
整体PCD螺旋圆鼻铣刀

