超声圆片刀
产品特点
螺纹部位匹配超声传动设计,螺纹光滑、无毛刺
精选优质基材,切割面高光、锋利、刃口无白点
碳纤维预成型体、芳纶纸蜂窝材料、玻璃纤维复合材料高效高质环保切割加工上佳选择
产品详情
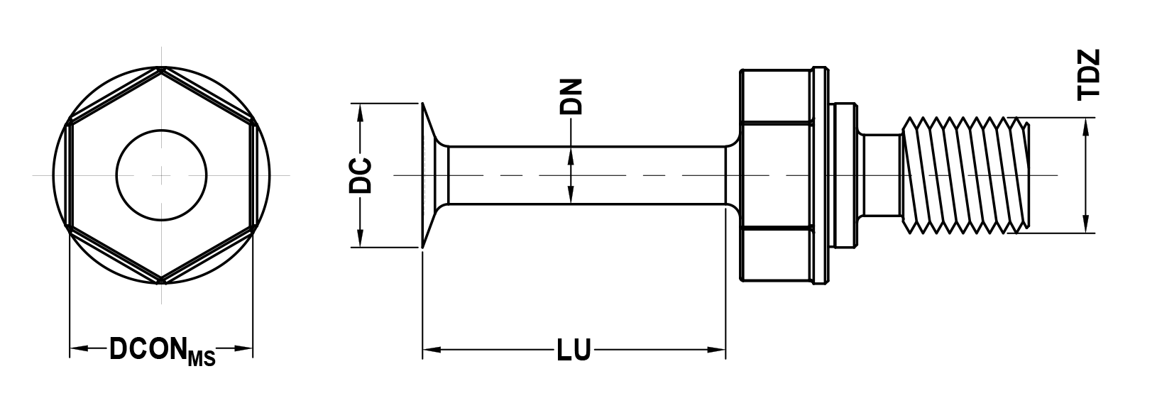
· 产品尺寸图:

· 产品规格(单位mm):
超声圆片刀 规格 | 刃部直径 DC | 避空直径 DN | 有效长 LU | 卡口直孔 DCONMS | 连接螺纹 TDZ |
CUD-GD-0080003002200127 | 8 | 3 | 22 | 12.7 | 5/16-24UNF |
CUD-GD-0100003002200127 | 10 | 3 | 22 | 12.7 | 5/16-24UNF |
CUD-GD-0149004002200127 | 14.9 | 4 | 22 | 12.7 | 5/16-24UNF |
CUD-GD-0254006001900127 | 25.4 | 6 | 19 | 12.7 | 5/16-24UNF |
CUK-GD-0435008002820147 | 43.5 | 8 | 28.2 | 14.7 | M10*1 |
CUD-GD-0508015901500127 | 50.8 | 15.9 | 15 | 12.7 | 5/16-24UNF |
* 非标可定制
· 规格说明:

上一个:
超声匕首刀 · 非标定制
下一个:
超声圆片破碎组合刀 · 小径

