HSK合金钢热缩刀柄-纤细型
产品特点
高动平衡性,动平衡等级G2.5@25000rpm或U<1gmm
热缩刀柄专用合金钢材质
L<120组合跳动精度≤0.003mm;L=120,组合跳动精度≤0.004mm
产品详情
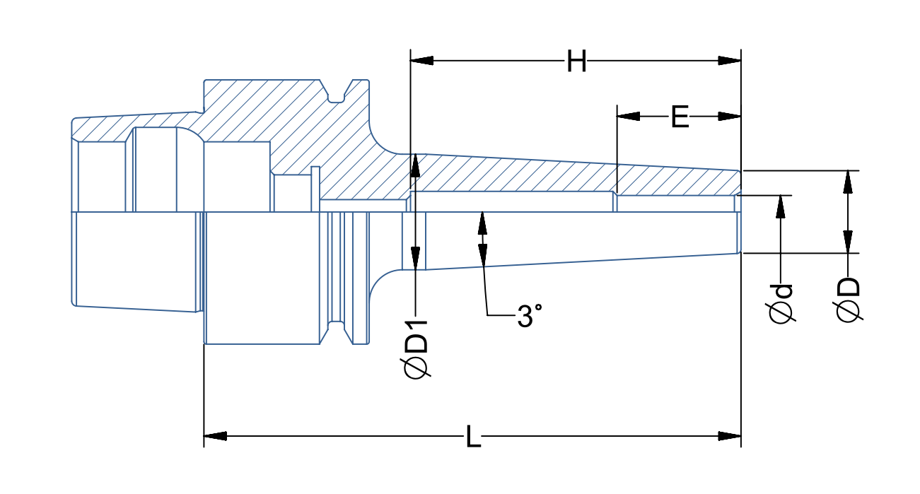
·产品规格:
| 型号 | 夹持径d | D | D1 | L | 最小装刀深度E | 最大装刀深度H |
| HSK32E-SHR4S-65 | 4 | 10 | 14 | 65 | 15 | 45 |
| HSK32E-SHR6S-80 | 6 | 12 | 20 | 80 | 26 | 40 |
| HSK32E-SHR8S-80 | 8 | 14 | 22 | 80 | 31 | 50 |
| HSK32E-SHR10S-80 | 10 | 16 | 22 | 80 | 37 | 60 |
| HSK40E-SHR4S-95 | 4 | 10 | 17 | 95 | 15 | 40 |
| HSK40E-SHR6S-115 | 6 | 12 | 24 | 115 | 26 | 40 |
| HSK40E-SHR8S-115 | 8 | 14 | 26 | 115 | 31 | 50 |
| HSK40E-SHR10S-115 | 10 | 16 | 28 | 115 | 37 | 60 |
| HSK40E-SHR12S-115 | 12 | 18 | 30 | 115 | 42 | 65 |
| HSK50E-SHR4S-100 | 4 | 10 | 17 | 100 | 15 | 75 |
| HSK50E-SHR6S-120 | 6 | 12 | 21 | 120 | 26 | 95 |
| HSK50E-SHR8S-120 | 8 | 14 | 23 | 120 | 31 | 50 |
| HSK50E-SHR10S-120 | 10 | 16 | 25 | 120 | 37 | 60 |
| HSK50E-SHR12S-120 | 12 | 18 | 27 | 120 | 42 | 65 |
· 产品尺寸图(单位mm):

上一个:
HSK合金钢热缩刀柄-标准型
下一个:
BT不锈钢热缩刀柄-标准型

